中国腐蚀与防护学报  2015 , 35 (5): 423-428 https://doi.org/10.11902/1005.4537.2014.219

7050铝合金板材晶粒结构与抗剥落腐蚀性能的关系

赵凤12, 鲁法云12, 穆楠12, 郭富安12, 张莉1

1. 山东南山铝业股份有限公司 国家铝合金压力加工工程技术研究中心 烟台 265713
2. 北京南山航空材料研究院 北京 100048

Relations between Microstructure and Exfoliation Corrosion Resistance of 7050 Al-alloy

ZHAO Feng12, LU Fayun12, MU Nan12, GUO Fuan12, ZHANG Li1

1. National Engineering Research Center for Plastic Working of Aluminium Alloys, Shandong Nanshan Aluminium Co., Ltd., Yantai 265713, China
2. Beijing Nanshan Institute of Aeronautical Materials, Beijing 100048, China

中图分类号:  TG146.2

通讯作者:  通讯作者:赵凤,E-mail:zhaowei223@126.com,研究方向为铝合金变形加工和热处理工艺

接受日期:  2014-12-17

网络出版日期:  --

版权声明:  2015 《中国腐蚀与防护学报》编辑部 版权所有 2014, 中国腐蚀与防护学报编辑部。使用时,请务必标明出处。

作者简介:

赵凤,女,1988年生,硕士

展开

摘要

利用金相显微镜、扫描电镜及图像分析软件,分析7050-T7451合金的微观组织特征、剥蚀过程中的扩展路径和腐蚀深度,研究了样品的晶界析出相的分布、再结晶比例和晶粒长宽比对抗剥落腐蚀性能的影响程度。结果表明:对不同加工工艺的7050-T7451合金板材,晶界析出相均呈断续分布,晶粒组织主要由再结晶晶粒和未再结晶晶粒组成,但是平均晶粒长宽比、再结晶比例以及晶界析出相断续程度存在差异;在晶界析出相断续分布时,平均晶粒长宽比对该板材的剥蚀行为和剥蚀深度起到主导作用,晶界析出相的断续程度以及再结晶比例对剥落腐蚀程度影响较小;当平均晶粒长宽比小于5,晶界析出相断续分布时,抗剥落腐蚀性能级别可以达到EA级及以上。

关键词: 7050-T7451铝合金 ; 剥落腐蚀 ; 晶粒长宽比 ; 晶界析出相

Abstract

The microstructure characteristics, exfoliation corrosion behavior of 7050-T7451Al- alloy plates were examined by optical microscopy, scanning electron microscopy and Image Pro Plus. The effect of the distribution of grain boundary precipitates, the fraction of recrystallized grains and the length-width ratio of grains on the exfoliation corrosion behavior was investigated. The results indicate that the microstructures of the 7050-T7451 plates fabricated by different processes are composed of recrystallized grains and non-recrystallized grains with precipitates distributed discontinuously along grain boundaries; but which varied corresponding to the relevant fabrication processes. The average length-width ratio of grains plays an important role in the exfoliation corrosion process of the plate, while the influence of the discontinuity of precipitates distribution and the fraction of recrystallized grains is weak. When the precipitates distribute discontinuously along grain boundaries and the average length-width ratio of grains is less than 5, the EXCO resistance of 7050-T7451 plate can reach EA degree or better.

Keywords: 7050-T7451 aluminum alloy ; exfoliation corrosion ; grain aspect ratio ; grain boundary precipitate

0

PDF (5743KB) 元数据 多维度评价 相关文章 收藏文章

本文引用格式 导出 EndNote Ris Bibtex

赵凤, 鲁法云, 穆楠, 郭富安, 张莉. 7050铝合金板材晶粒结构与抗剥落腐蚀性能的关系[J]. , 2015, 35(5): 423-428 https://doi.org/10.11902/1005.4537.2014.219

ZHAO Feng, LU Fayun, MU Nan, GUO Fuan, ZHANG Li. Relations between Microstructure and Exfoliation Corrosion Resistance of 7050 Al-alloy[J]. 中国腐蚀与防护学报, 2015, 35(5): 423-428 https://doi.org/10.11902/1005.4537.2014.219

1 前言

航空用7050合金属于Al-Zn-Mg-Cu系高强铝合金,具有密度小、比强度高以及良好的加工性能等特点,被广泛应用于飞机的翼梁、翼肋、机身隔框等结构件[1]。因此,航空用Al-Zn-Mg-Cu系合金要求具有较高的综合性能,即强度和损伤容限的良好匹配。然而在飞机服役过程中,由于Al-Zn-Mg-Cu系合金板材的组织特征和服役环境的限制,合金结构件尤其是通过铆接或螺栓连接的结构件,剥落腐蚀是其经常发生的腐蚀现象之一[2]。剥落腐蚀使材料表面发生粉化、剥皮或产生直径几毫米的鼓泡,显著降低材料的强度、断裂韧性和疲劳性能等,降低结构件的使用寿命[3]

Robinson等[4][5]认为剥落腐蚀行为的发生需要拉长的晶粒和晶界析出相/无沉淀析出带 (贫化区) 形成的腐蚀活性通道两个条件,其中腐蚀活性通道主要与晶界析出相或晶界无沉淀析出带等相关。同时也有其他学者的研究[6][7]表明,抑制再结晶可有效提高合金的抗剥落腐蚀性能。

本文利用7050-T7451合金板材,通过相应加工工艺的调整,在保证力学性能达到要求的前提下,使板材组织上在晶界析出相的分布、再结晶比例、晶粒长宽比方面存在特定形貌。通过对该合金板材进行组织分析和剥落腐蚀实验,探究板材晶界析出相的分布、再结晶比例和晶粒长宽比3个因素分别对抗剥落腐蚀性能的影响程度,从而提出具有较优异的抗剥落腐蚀性能的组织特征。

2 实验方法

本研究中实验样品采用7050铝合金,合金成分 (质量分数,%) 为:Zn 6.1,Mg 2.2,Cu 2.2,Zr 0.1,Al余量。铸锭经过均匀化、热轧、固溶处理、预拉伸和双级时效,得到7050-T7451板材。为了研究晶界析出相、再结晶比例和晶粒长宽比对抗剥落腐蚀性能的影响程度,在保证力学性能和断裂韧性等满足使用要求的同时,适当调整加工工艺参数,获得具有特定组织特征的3个实验板材,分别命名为1#,2#和3#。实验中从板材同一位置选用样品进行微观组织分析和剥落腐蚀实验。样品经磨光、机械抛光后,利用扫描电镜 (SEM,Zeiss EVO 18) 观察晶界析出相。利用Graff试剂 (1 mL HF+16 mL HNO3+3g CrO3+83 mL H2O) 或阳极覆膜液 (5% HFB4) 对磨抛后的样品进行处理,并通过金相显微镜 (Zeiss Imager M2m) 的明场和偏光模式观察再结晶情况和晶粒形貌;并利用Image Pro Plus软件对再结晶比例和晶粒长宽比进行统计。

剥落腐蚀实验依照标准GB/T22639-2008[8]进行,剥落腐蚀样品尺寸为:100 mm×40 mm×4 mm,实验面为轧制面,其余面进行封装,腐蚀液为4.0 mol/L NaCl+0.5 mol/L KNO3+0.1 mol/L HNO3溶液,溶液体积与实验面面积之比为25 mL/cm2,腐蚀液温度为 (25±3) ℃。腐蚀实验总时间为48 h,在潮湿状态下评定样品腐蚀等级。清洗实验样品的表面腐蚀产物后,对样品纵截面进行磨样、腐蚀,利用金相显微镜和SEM观察剥落腐蚀后纵截面晶粒形貌和剥落腐蚀深度。

3 实验结果

3.1 微观组织观察

3.1.1 晶界析出相 图1为3个样品的晶界析出相分布情况。可见,3个样品的晶界析出相均呈断续分布,晶粒呈长条状。1#和2#样品晶界析出相形貌与分布相近,尺寸约400 nm,间距约500 nm。图1c所示3#样品晶界析出相尺寸和间距较小,小于300 nm;晶粒呈条带状沿轧向拉长,部分呈近等轴状。

图1   实验样品的晶界析出相形貌

Fig.1   GBP characteristics of No.1 (a), No.2 (b) and No.3 (c) samples

3.1.2 晶粒形貌 图2为样品经Graff试剂腐蚀后的金相组织。Graff试剂优先腐蚀晶界和亚晶界,再结晶晶粒呈现亮白色,未再结晶晶粒由于内部存在较多亚晶因而呈现黑色,其中亚晶主要呈等轴状,尺寸在5 μm以内。利用Image Pro Plus软件统计1#,2#和3#样品的再结晶比例,依次为40%,54%和42%。1#样品的再结晶晶粒沿变形条带拉长,长度方向最长可达80 μm以上。2#样品再结晶晶粒主要为等轴状,尺寸为20~50 μm。3#样品的再结晶晶粒呈扁平状,尺寸较大,最大条带长度达100 μm以上。

图2   金相显微镜明场下样品的晶粒形貌

Fig.2   Bright field OM images of the grains of No.1 (a, d), No.2 (b, e) and No.3 (c, f) samples

3个样品的未再结晶晶粒均保留变形晶粒的特征,沿轧制方向拉长。1#,2#和3#样品的未再结晶晶粒的条带宽度为5~20 μm;1#和2#样品条带长度可达300 μm以上,3#样品条带长度在200 μm以内。整体上,1#和2#样品的未再结晶晶粒沿轧制方向的拉长程度大于3#样品的;1#和2#样品的再结晶晶粒小于3#样品的。

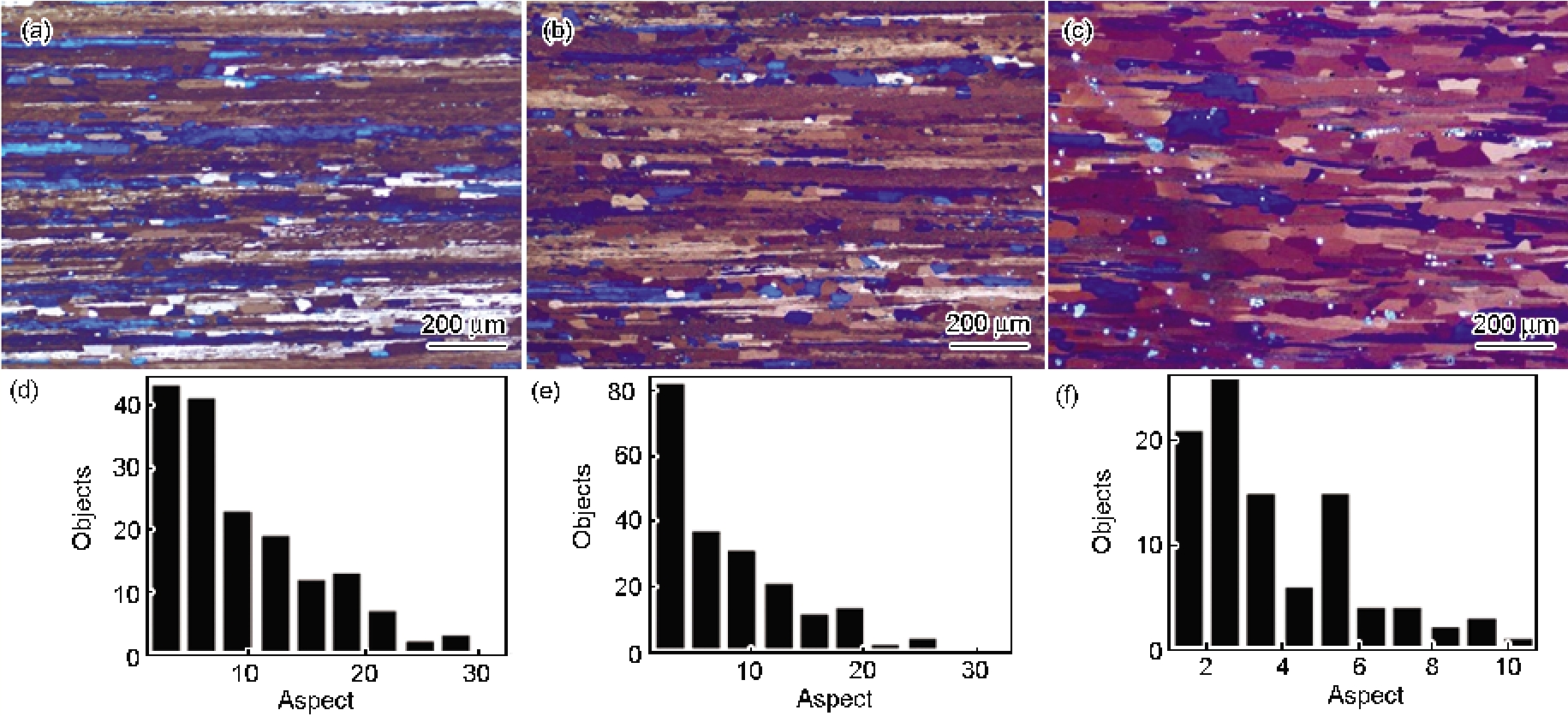
经阳极覆膜后的组织不能区分再结晶和未再结晶晶粒,但可以使晶粒形貌更为清晰,如图3a~c所示。1#和2#样品的组织由条带状晶粒和近等轴状晶粒组成,3#样品组织主要由扁平状晶粒组成。

图3   阳极覆膜后晶粒形貌和晶粒长宽比的统计图

Fig.3   Characteristics of the grains in polarized light field (a~c) and graphs of grain aspect ratios (d~f) for No.1 (a, d), No.2 (b, e) and No.3 (c, f) samples

为进一步表征晶粒形貌差异,将3个样品的晶粒长宽比进行统计,如图3d~f所示。根据统计结果, 1#样品的晶粒长宽比大于10的可占50%以上,2#样品的晶粒长宽比大于10的约占30%,两者晶粒长宽比最大值均达30。3#样品晶粒长宽比较小,均小于10,且长宽比小于5的晶粒数占总晶粒数的60%以上。通过统计计算,1#,2#和3#样品的平均晶粒长宽比分别为10.2,8.6和4.3,即1#和2#样品的晶粒长宽比为3#样品的两倍以上。

3.2 剥落腐蚀实验

经剥落腐蚀实验48 h后,3个样品等级评定时的形貌如图4a,c和e所示。图4b,d和f分别为1#,2#和3#样品对应的剥落物。依照标准[8],根据腐蚀的严重程度,分为N级,PA~ PC级,EA~ED级,分别表示腐蚀不严重,点蚀和剥落腐蚀。1#和2#样品表面轻微起层,并穿透金属,均评为EA,但相对于2#样品,1#样品鼓泡直径较大,鼓泡程度较严重,剥落物较多。3#样品表面出现泡疤,整体呈现棕红色,轻微剥落,评为PC,即严重点蚀。

图4   剥落腐蚀实验48 h后的样品形貌及剥落物

Fig.4   Surface appearances (a, c, e) and corrosion products (b, d, f) of No.1 (a, b), No.2 (c, d) and No.3 (e, f) samples after exfoliation corrosion for 48 h

图5为3个剥落腐蚀样品经Graff试剂腐蚀后的纵截面晶粒形貌。结果表明,剥落腐蚀主要沿晶界由表面向内部扩展。观察尚未发生剥蚀边缘处的晶粒,同时存在再结晶和未再结晶晶粒,无明显规律;但该位置晶粒长宽比均小于5,1#和2#样品晶粒长宽比约为2,3#样品为4。图6为背散射模式下3个剥落腐蚀样品纵截面形貌的SEM像。边缘暗色为已发生腐蚀的区域,测量计算3个样品的平均剥蚀深度,1#样品约150 μm,2#样品130 μm,3#样品约80 μm。总之,1#,2#和3#样品的抗剥落腐蚀性能依次升高。

图5   剥落腐蚀实验后样品纵截面晶粒形貌观察

Fig.5   OM micrographs of longitudinal sections of No.1 (a), No.2 (b) and No.3 (c) samples after exfoliation corrosion

图6   剥落腐蚀实验后样品纵截面腐蚀深度观察

Fig.6   Corrosion depths along the longitudial sections of No.1 (a), No.2 (b) and No.3 (c) samples after exfoliation corrosion

4 分析与讨论

根据图4~6的剥落腐蚀实验结果,1#,2#和3#样品的抗剥落腐蚀性能由高到低依次为:3#>2#>1#,其中3#样品的抗剥落腐蚀性能明显高于其他两个样品,而2#样品的抗剥落腐蚀性能较1#样品略高。

图1~3表明,3个样品的晶界析出相均呈断续分布,其中1#和2#样品的晶界析出相尺寸和间距明显大于3#样品的。一般认为,随着过时效程度的增加,晶界析出相断续分布、粗化,晶界无沉淀析出带宽化,有利于阻止腐蚀活性通道,提高抗剥落腐蚀能力[9,10]。3#样品的晶界析出相断续程度最小,对腐蚀活性通道阻碍程度较小,但3#样品的剥蚀程度和剥落量最小。所以,晶界析出相断续分布可以阻碍腐蚀活性通道,但其断续的程度对抗剥落腐蚀性能的强弱影响相对较小。因此,在晶界析出相断续分布的情况下,还有其他因素影响剥落腐蚀性能。

图1~3表明,1#和2#试样的晶界析出相的分布特征相近,两个样品的再结晶比例分别为40%和54%,晶粒长宽比分别为10.2和8.6。剥蚀实验结果表明,1#和2#试样的抗剥落腐蚀性能均为EA级别,其中2#试样抗剥蚀程度略高。1#和2#试样在晶粒长宽比和晶界析出相分布特征相近,再结晶比例存在较大差异的情况下,二者的抗剥落腐蚀性能并未产生明显的差异。因此,与晶粒长宽比和晶界析出相相比,再结晶比例对抗剥落腐蚀性能的影响较弱。

对比分析1#和3#样品,两样品再结晶比例分别为40%和42%,晶粒长宽比分别为10.2和4.3,且1#样品的晶界析出相的断续程度大于3#样品的。相对3#样品,1#和2#样品较大的晶界析出相断续分布程度可以有效阻止腐蚀活性通道,但较大晶粒长宽比的组织形貌使1#样品的鼓泡直径较大,样品剥落较多,因此晶粒长宽比对耐腐蚀能力的影响较大。图7为2014合金板材芯部、1/4层、表层的晶粒长宽比和剥落腐蚀深度结果。即板材抗剥落腐蚀性能沿表层、1/4层、芯部呈下降趋势[11]。板材不同厚度层的抗剥落腐蚀性能存在差异,主要是由于在加工过程中板材变形不均匀使其不同厚度层的晶粒长宽比产生明显差异[12]。同时,在剥落腐蚀过程中,由于腐蚀产物的体积大于所消耗金属的,对基体产生“楔入效应”,使金属表层发生应变,当应变达到一定临界值时,即发生剥落[11,13]。因此,具有较大的晶粒长宽比的1#样品受应力作用缓慢增加到断裂应变临界值而产生较大直径的鼓泡和剥落;3#样品则相反,由于具有等轴晶或较小的晶粒长宽比,表面应变在较快的时间内达到临界值,由于鼓泡直径较小或不发生鼓泡,因而一般仅发生点蚀或粉化等。

图7   2014合金表层、1/4层、芯部的平均晶粒尺寸及其对剥落腐蚀深度的影响[11]

Fig.7   Mean grain dimensions and effect of grain shape on depths of EXCO in the top surface, 1/4 layer, 1/2 layer of 2014 alloy[11]

5 结论

(1) 通过不同的加工条件,除了形成不同的晶粒长宽比以外,7050-T7451合金板材均呈现断续分布的晶界析出相,以及再结晶晶粒和未再结晶晶粒形成的组织形貌。

(2) 对7050-T7451合金板材抗腐蚀性能的影响程度依次为:晶粒长宽比>晶界析出相的断续程度 (断续分布时)>再结晶比例。

(3) 平均晶粒长宽比对剥落腐蚀深度和程度起着主导作用,而再结晶比例的影响较小。

(4) 当晶界析出相断续分布时,平均晶粒长宽比小于5时,7050-T7451合金的抗剥落腐蚀等级可达EA级别及以上。


/