腐蚀科学与防护技术  2014 , 26 (2): 143-148 https://doi.org/10.11903/1002.6495.2013.129

奥氏体不锈钢在超临界水环境中的应力腐蚀开裂性能研究

沈朝1, 潘向烽1, 李力1, 张乐福1, 徐雪莲2

1. 上海交通大学核科学与工程学院 上海 200240
2. 上海核工程研究设计院 上海 200233

Stress Corrosion Cracking Behavior of Austenitic Stainless Steel

SHEN Zhao1, PAN Xiangfeng1, LI Li1, ZHANG Lefu1, XU Xuelian2

1. School of Nuclear Science & Engineering, Shanghai Jiao Tong University, Shanghai 200240, China
2. Shanghai Nuclear Engineering Research & Design Institute, Shanghai 200233, China

中图分类号:  TG172

文章编号:  1002-6495(2014)02-0143-06

接受日期:  2013-06-3

网络出版日期:  --

版权声明:  2014 《腐蚀科学与防护技术》编辑部 版权所有 2014, 腐蚀科学与防护技术编辑部。使用时,请务必标明出处。

作者简介:

沈朝,男,1990年生,硕士生,研究方向为核电材料腐蚀

展开

摘要

利用慢应变速率拉伸 (SSRT) 的方法研究了奥氏体不锈钢AL-6XN,316Ti和TP-347在550/650 ℃,25 MPa的超临界水环境中的应力腐蚀开裂敏感性。结果表明,随着温度由550 ℃升高到650 ℃,其屈服强度和抗拉强度均发生了明显的下降,而三者的延伸率却呈现出了3种不同的变化规律。由试样的断口和侧面形貌可知,AL-6XN在550/650 ℃,316Ti在550 ℃工况下具有应力腐蚀开裂倾向,且其应力腐蚀开裂倾向大小关系为:AL-6XN/550 ℃>316Ti/550 ℃>AL-6XN/650 ℃。

关键词: 超临界 ; 慢应变速率拉伸 ; 应力-应变曲线 ; 延伸率 ; 应力腐蚀开裂倾向

Abstract

The susceptibility to stress corrosion cracking (SCC) of several austenitic stainless steels AL-6XN, 316Ti and TP-347 in supercritical water at 550 ℃/25 MPa and 650 ℃/25 MPa respectively was studied by slow strain rate tensile test (SSRT). The strain-stress curve shows that the strength of these three steels decreases as temperature increases; the change in the fracture elongation of them shows different characteristics. The ex-situ scanning electron microscopy (SEM) observation shows that AL-6XN at 550 ℃and 650 ℃, and 316Ti at 550 ℃ exhibit a tendency of susceptibility to SCC, and the tendency of susceptibility to SCC of the three steels may be ranked as: AL-6XN/550 ℃>316Ti/550 ℃>AL-6XN/650 ℃.

Keywords: supercritical ; slow strain rate tensile test ; stress-strain curve ; elongation ; susceptibility to SCC

0

PDF (7486KB) 元数据 多维度评价 相关文章 收藏文章

本文引用格式 导出 EndNote Ris Bibtex

沈朝, 潘向烽, 李力, 张乐福, 徐雪莲. 奥氏体不锈钢在超临界水环境中的应力腐蚀开裂性能研究[J]. , 2014, 26(2): 143-148 https://doi.org/10.11903/1002.6495.2013.129

SHEN Zhao, PAN Xiangfeng, LI Li, ZHANG Lefu, XU Xuelian. Stress Corrosion Cracking Behavior of Austenitic Stainless Steel[J]. 腐蚀科学与防护技术, 2014, 26(2): 143-148 https://doi.org/10.11903/1002.6495.2013.129

1 前言

为了提高先进核反应堆的发电效率,在第四代超临界水冷堆 (SCWR) 中,冷却剂出口温度被提高到550 ℃,压力提高到25MPa,这样其热效率由目前第二代轻水反应堆 (LWRs) 的33%提高到44%左右[1]。SCWR运行在水的临界点 (374 ℃,22.1 MPa) 以上,此时冷却剂对金属材料的腐蚀性极强,现有LWR堆芯构件和包壳材料不再适用,结构材料的腐蚀因而已成为开发SCWR的一个关键问题[2]

人们对应用于超临界火电站和压水堆燃料组件等高温环境下的材料进行了初步筛选与评估,提出了一系列SCWR候选材料,其中包括铁素体-马氏体 (F/M) 钢、奥氏体不锈钢、镍基合金及氧化物弥散强化 (ODS) 钢[3]。奥氏体不锈钢因其具有优良的抗腐蚀性能、加工性能、可焊性和高温力学性能,所以在核电站结构件的制造中被大量应用[4]

本工作模拟超临界水环境,分别在550 ℃,25 MPa和650 ℃,25 MPa两种工况下对AL-6XN,316Ti和TP347进行慢应变速率拉伸实验 (SSRT),对其在超临界水环境中的应力腐蚀开裂 (SCC) 行为进行研究。本实验结果可为后续的超临界水冷堆堆芯构件的选材提供数据支持。

2 实验方法

本实验所用材料由中国核动力研究设计院提供,为商用供货状态,材料的化学成分如表1所示。

   

表1    材料的化学成分

MaterialCMnPSSiNiCrMoTiNNbCuFe
Al-6XN0.0250.640.0150.0080.1224.8420.826.34-0.24-0.04Bal.
316Ti0.0201.500.0140.0080.4012.1017.002.000.47---Bal.
TP3470.0631.500.0250.0030.659.2817.08---0.550.05Bal.

新窗口打开

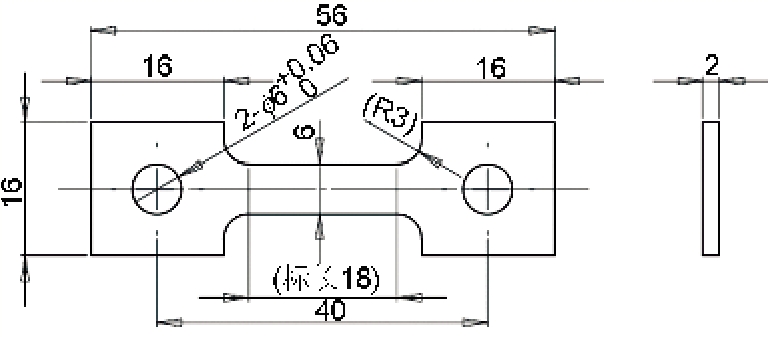
实验所用试样如图1所示,标距为18 mm×6 mm×2 mm。试样的拉伸段表面和侧面在磨抛机上依次打磨至2000#SiC砂纸,然后在绒布上用氧化铝抛光粉抛光至镜面。将进行过表面处理的试样置于丙酮中,然后放入超声波清洗机中清洗试样表面油污 (20 min以上),接着用超纯水反复冲洗试样,冲洗完成之后放入烘干机中进行烘干,烘干完成之后用游标卡尺测量试样拉伸段尺寸,记录每个试样拉伸段的宽度和厚度以及标距。

图1    

Fig.1    慢拉伸实验试样

实验装置由超临界高压釜 (主体材质为Inconel 625镍基合金,容积为1.5 L,设计温度750 ℃,设计压力31 MPa),慢应变速率拉伸机,水化学处理回路三个部分组成。实验温度控制在 (550±2)℃,压力通过背压阀维持在 (25±0.1) MPa,通过氩气除氧将溶解氧 (DO) 控制在8×10-以下,实验介质为电阻率≥18.2 MΩcm的超纯水,回水电导率控制在0.1 μs/cm以下。实验的拉伸速率恒定在0.001 mm/min,拉伸试样应变速率均接近1×10- s-,材料失效判据为最大应力的75%。本次实验位移的测量采用光栅尺,测温元件为K型热电偶,压力测量为4~20 mA输出的压力传感器。实验结束后对数据进行处理得到相应的应力-应变曲线,从而可知材料在该工况下的屈服强度、抗拉强度和延伸率。随后采用JSM-6460扫描电镜 (SEM) 对试样断口和侧面的形貌进行观察分析。

   

表2   AL-6XN, 316Ti和TP-347的屈服强度、抗拉强度与延伸率

MaterialYield stress MPaTensile stress MPaElongation%
6XN/HT35273056.8
6XN/550 ℃25755277
6XN/650 ℃22142535
316Ti/HT37862358.2
316Ti/550 ℃29841021
316Ti/650 ℃21125539
TP347/HT26260260
TP347/550 ℃18438523
TP347/650 ℃18827922

新窗口打开

3 结果及讨论

3.1 应力-应变曲线

AL-6XN,316Ti和TP-347的慢应变速率拉伸实验所得应力-应变曲线如图2所示。由应力-应变曲线可知3种材料的屈服强度、抗拉强度和延伸率,结合3种材料在室温下的力学性能示于表2。3种材料在室温下均具有良好的塑性,但在超临界水环境中,其塑性均发生了较大的变化,并且3种材料塑性随温度的变化呈现出了不同的特征。当温度由550 ℃升高到650 ℃时,3种材料的弹性模量也呈现出了不同的变化规律,AL-6XN和TP347基本不变,而316Ti却明显降低,这主要受不同材料成分影响。

图2    

Fig.2    AL-6XN, 316Ti和TP347在超临界水中的应力-应变曲线

AL-6XN在室温下的屈服强度和抗拉强度分别为352和730 MPa,在超临界水环境中其屈服强度和抗拉强度明显降低。当温度由550 ℃升高到650 ℃时,其屈服强度略有下降,而其抗拉强度由552下降到425 MPa。其在室温下的延伸率为56.8%,但在550 ℃时其延伸率升高到77%,随着温度进一步升高,在650 ℃时其延伸率急剧下降到35%。

316Ti在室温下的屈服强度和抗拉强度分别为378 和623 MPa,在超临界水环境中其屈服强度和抗拉强度明显降低。当温度由550 ℃升高到650 ℃时,其屈服强度和抗拉强度均降低,尤其是抗拉强度,由410 MPa降低到255 MPa。其在室温下的延伸率为58.2%,随着温度的升高,其在550 ℃时其延伸率下降为21%。但当温度升高到650 ℃时,其延伸率没有进一步下降,反而出现了增长。

TP347在室温下的屈服强度和抗拉强度分别为262和602 MPa,在超临界水环境中其屈服强度和抗拉强度明显降低。当温度由550 ℃升高到650 ℃时,其屈服强度基本不变,而其抗拉强度有所下降。其在室温下的延伸率为60%,当温度升高到550和650 ℃时,其延伸率分别为23%和24%,可见当温度升高到一定程度后,TP347的延伸率变化对温度不敏感。

整体来看,3种材料在超临界水环境中均具有良好的机械强度,尤其是AL-6XN,在高温下不但具有良好的机械强度,还具有良好的高温塑性,因此它可以作为超临界水冷堆候选材料的重点考察对象。

3.2 断口形貌分析

采用SEM观察试样断口,其断口形貌如图3~8所示。一般情况下若试样的断口表面均为韧窝微孔,则认为是韧性的机械断裂;若试样的断口表面均为穿晶型或沿晶型的断裂形貌,则认为是脆性断裂;若试样的断口中心部分是韧窝微孔,而边缘部分呈现穿晶型或沿晶型的断裂形貌,则认为具有应力腐蚀敏感性[5]。对于具有应力腐蚀开裂敏感性的材料,根据试样侧面裂纹深度和密度的大小,给出不同材料在不同条件下的应力腐蚀开裂敏感性的大小关系[6,7]

AL-6XN在550 ℃,25 MPa水环境中的宏观断口形貌如图3a所示。断口中心区域较粗糙,布满了韧窝微孔 (图3c),呈现出塑性断裂特征。在断口的周围能看到解理台阶和河流花样 (图3b),呈现出解理断裂特征。同时在试样的侧面能够观察到穿晶裂纹,裂纹密度较大,裂纹深度大约为60 μm (图3d)。AL-6XN在650 ℃,25 MPa水环境中的宏观断口形貌如图4a所示。整个断口呈现出脆性断裂特征,断口绝大部分区域为沿晶断裂,能够清晰的看到一粒粒的冰糖结构 (图4b)。在断口边缘区域还能看到穿晶断裂形貌 (图4c)。并且在断口侧面还能看到少许沿晶裂纹 (图4d)。

图3    

Fig.3    6XN在550 ℃拉伸测试后的断口形貌和标距段表面形貌

图4    

Fig.4    6XN在650 ℃拉伸测试后的断口形貌和标距段表面形貌

316Ti在550 ℃,25 MPa水环境中的宏观断口形貌如图5a所示。断口中心区域密集的分布着韧窝微孔 (图5b),在断口边缘还能察到剪切唇,呈现出韧性断裂特征。在断口边缘区域能看到结晶状小刻面图5c,在光线照射下闪闪发光,呈现出脆性断裂特征。在试样侧面能观察到少量的穿晶裂纹图5d。316Ti在650 ℃,25 MPa水环境中的宏观断口形貌如图6a所示。整个断口分区不明显,整体呈现出塑性断裂特征,同时还能观察到断口表面覆盖着一层疏松的氧化膜 (图6b),说明在拉伸过程中由于釜内的高温环境,使得断口表面与釜内的氧原子发生了氧化反应。同时在试样侧面未观察到裂纹 (图6c)。

图5    

Fig.5    316Ti在550 ℃拉伸测试后的断口形貌和标距段表面形貌

图6    

Fig.6    316Ti在650 ℃拉伸测试后的断口形貌和标距段表面形貌

TP347在550 ℃,25 MPa水环境中的宏观断口形貌如图7a所示。整个断口表面较平整,均匀的分布着少量的韧窝和撕裂棱 (图7b),呈现出准解理的断裂特征。在试样的侧面分布着少量的穿晶裂纹 (图8c)。TP347在650 ℃,25 MPa水环境中的宏观断口形貌如图8a所示。整个断口表面布满了韧窝微孔 (图8b),并且在断口边缘还能观察到剪切唇,整体呈现出塑性断裂特征。同时在试样侧面还能观察到穿晶裂纹,并且裂纹深度较大 (图8c)。

图7    

Fig.7    TP347在550 ℃拉伸测试后的断口形貌和标距段表面形貌

图8    

Fig.8    TP347在650 ℃拉伸测试后的断口形貌和标距段表面形貌

由试样的断口形貌可知,AL-6XN在550 ℃,25 MPa、650 ℃,25 MPa均具有应力腐蚀开裂倾向,316Ti在550 ℃,25 MPa时具有应力腐蚀开裂倾向,而TP347在550 ℃,25 MPa和650 ℃,25 MPa两个工况下均不具有应力腐蚀开裂倾向。由AL-6XN/550 ℃,AL-6XN/650 ℃和316Ti/550 ℃试样侧面裂纹深度和密度,可知三者的应力腐蚀开裂倾向大小关系为:AL-6XN/550 ℃>316Ti/550 ℃>AL-6XN/650 ℃。

4 结论

(1) 3种奥氏体不锈钢在两种超临界工况下的机械强度相对于室温下的机械强度均下降明显。

(2) 3种奥氏体不锈钢在超临界工况下,当温度由550 ℃升高到650 ℃时,其延伸率呈现出不同的变化规律。AL-6XN随着温度的升高,其延伸率大幅下降。而316Ti随着温度的升高,其延伸率略有增长。TP347随着温度的升高,其延伸率基本保持不变。

(3) AL-6XN在550 ℃/650 ℃、316Ti在550 ℃工况下具有应力腐蚀开裂倾向,且其应力腐蚀开裂倾向大小关系为:AL-6XN/550 ℃>316Ti/550 ℃>AL-6XN/650 ℃,因此在这些工况下使用这两种材料时应当考虑其应力腐蚀开裂因素的对材料使用性能的影响。


/