腐蚀科学与防护技术  2014 , 26 (2): 125-131 https://doi.org/10.11903/1002.6495.2013.052

5083和6061铝合金缝隙腐蚀行为的研究

张晋13, 张涛12, 邵亚薇1, 孟国哲1, 王福会12

1. 哈尔滨工程大学材料科学与化学工程学院 腐蚀与防护实验室 哈尔滨 150001
2. 中国科学院金属研究所 金属腐蚀与防护国家重点实验室 沈阳 110016
3. 长春城投供热有限公司 长春 130000

Crevice Corrosion Behavior of 5083 and 6061 Aluminum Alloys

ZHANG Jin13, ZHANG Tao12, SHAO Yawei1, MENG Guozhe1, WANG Fuhui12

1. Corrosion and Protection Laboratory, College of Materials Science and Chemical Engineering, Harbin Engineering University, Harbin 150001, China
2. State Key Laboratory for Corrosion and Protection, Institute of Metals Research, Chinese Academy of Sciences, Shenyang 110016, China
3. Changchun Heating Investment Co. Ltd., Changchun 130000, China

中图分类号:  TG172.2

文章编号:  1002-6495(2014)02-0125-07

接受日期:  2013-03-5

网络出版日期:  --

版权声明:  2014 《腐蚀科学与防护技术》编辑部 版权所有 2014, 腐蚀科学与防护技术编辑部。使用时,请务必标明出处。

作者简介:

张晋,女,1987年生,硕士生,研究方向为材料腐蚀与防护

展开

摘要

利用微电极原位测量技术和电化学噪声技术研究了5083和6061铝合金的缝隙腐蚀行为,探讨了材料的显微组织与缝隙腐蚀行为之间的相关性。结果表明, 6061铝合金从缝口到缝隙内部局部腐蚀的趋势逐渐增强,对6061铝合金缝隙腐蚀起主导作用的是IR降机制;5083铝合金距缝口远处的腐蚀形态趋近局部腐蚀,距缝口近处趋近均匀腐蚀,缝隙内成分变化机制是5083铝合金缝隙腐蚀的主导因素。不同类型第二相的微电偶作用是5083和6061铝合金的缝隙腐蚀行为以及遵循的腐蚀机制不同的原因。

关键词: 缝隙腐蚀 ; 电化学噪声 ; 铝合金

Abstract

The crevice corrosion behavior of 5083 and 6061 aluminium alloys was investigated by electrochemical noise and in-situ measurement with microelectrode. The experimental results indicated that concerning the crevice corrosion process, 6061 alloy follows IR drop mechanism, while 5083 alloy follows critical solution composition theory. The corrosion of 5083 alloy was mainly uniform corrosion and transferred to severe localized corrosion with the increasing of crevice depth. But the 6061Alloy suffered from severe localized corrosion. The difference of corrosion behavior between 5083 and 6061 aluminium slloys might be attributed to the presence of different intermetallic phase for the two alloys.

Keywords: crevice corrosion ; electrochemical noise (EN) ; aluminum alloy

0

PDF (5764KB) 元数据 多维度评价 相关文章 收藏文章

本文引用格式 导出 EndNote Ris Bibtex

张晋, 张涛, 邵亚薇, 孟国哲, 王福会. 5083和6061铝合金缝隙腐蚀行为的研究[J]. , 2014, 26(2): 125-131 https://doi.org/10.11903/1002.6495.2013.052

ZHANG Jin, ZHANG Tao, SHAO Yawei, MENG Guozhe, WANG Fuhui. Crevice Corrosion Behavior of 5083 and 6061 Aluminum Alloys[J]. 腐蚀科学与防护技术, 2014, 26(2): 125-131 https://doi.org/10.11903/1002.6495.2013.052

1 前言

随着国内外造船业的发展,船舶的轻量化已成了造船业面临的重要课题[1]。铝合金因其密度低、比强度高、塑性好,具有优良的导电性、导热性,在船用结构材料中具有广泛的应用[2]。但是铝合金还存在着腐蚀问题影响了其在船舶行业的应用。

5083和6061铝合金是船上常用的铝合金,在海洋环境中的腐蚀形式主要有点蚀和缝隙腐蚀。铝合金点蚀方面的研究较为成熟[3-7],而缝隙腐蚀研究较少。闫茂成等[8]用微电极原位测量技术解决了缝隙内化学环境难以测量的问题。有的学者测量了整个缝隙的电化学噪声信号[9],研究了碳钢和不锈钢缝隙腐蚀行为。本文在前人工作的基础上,利用微电极原位测量和电化学噪声探针技术研究5083和6061铝合金的缝隙腐蚀行为,以期在测出缝隙内化学环境变化的同时研究缝内不同微区的腐蚀行为。

2 实验方法

采用高温氧化法制备Ir/IrO pH探针[10]。基本步骤为:长约1 cm的Ir丝浸于5 mol/L NaOH后,置于800 ℃的高温炉中氧化30 min获得蓝-黑IrO膜层,立即置于蒸馏水中淬火并浸泡1 d,用环氧树脂封装。最后利用已知pH值的一系列缓冲溶液对探针进行标定。

利用恒电流极化法制备Ag/AgCl探针。基本步骤为:将直径为2 mm的银丝置于0.5 mol/L的盐酸溶液中,外接电流密度为4 mA/cm的直流电源进行氧化l~2 h,在阳极表面获得致密均匀的紫褐色氯化银层。将该电极在0.1 mol/L KCl溶液中老化24 h,晾干后备用。用已知Cl-浓度的一系列NaCl溶液对探针进行标定。

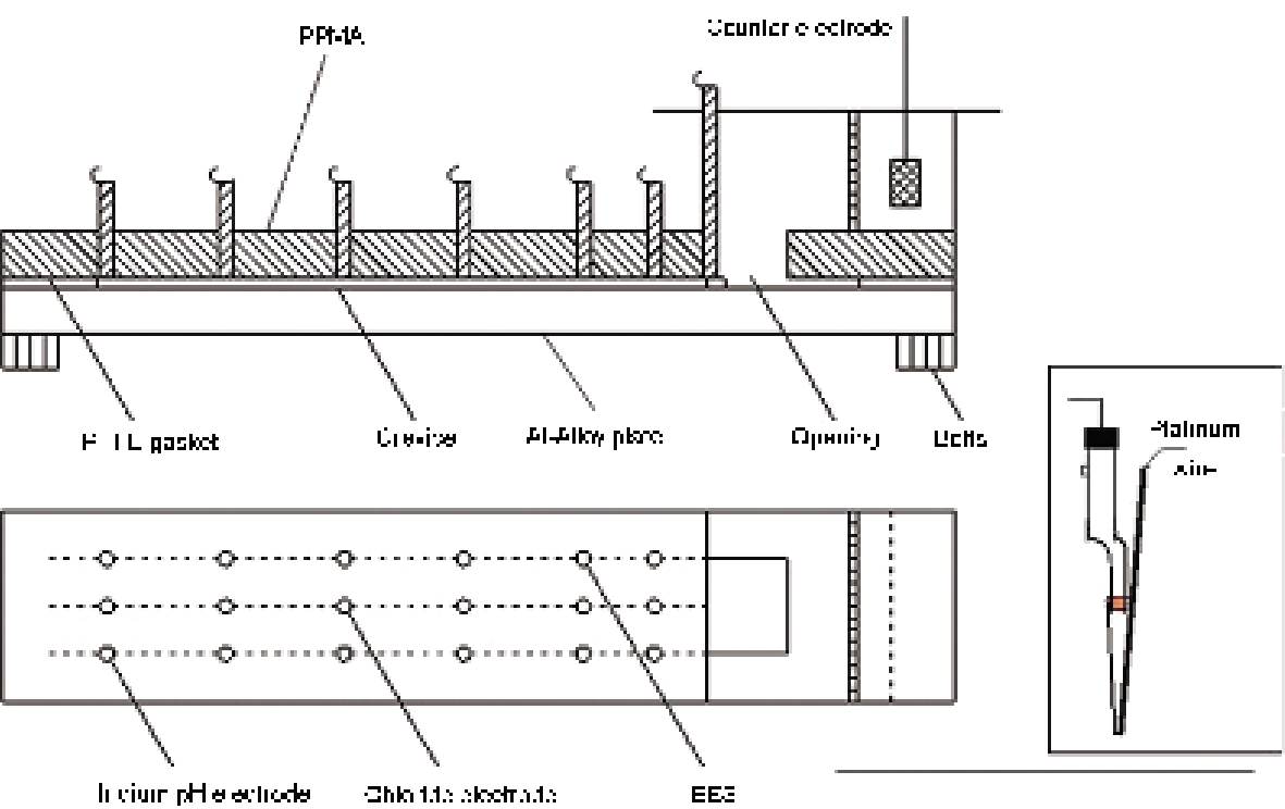
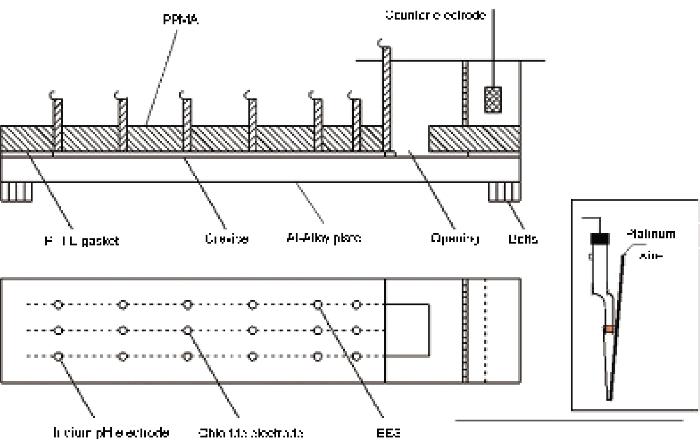
实验中所用到的模拟缝隙环境实验装置如图1所示。矩形聚四氟乙烯板 (360 mm×80 mm×0.2 mm) 制造厚度为200 μm的缝隙,试样、聚四氟乙烯板、有机玻璃盖板用螺丝连接。模拟装置右侧开一个20 mm×50 mm 的方孔作为缝口。有机玻璃板上距缝口40,80,120和 180 mm分别平行钻3个直径3 mm的圆孔,分别封装用于连接参比电极的微盐桥以及pH探针或Ag/AgCl探针,实现测量缝内不同位置微区内电位、pH值和Cl-浓度。引入铂丝和连接参比电极的微盐桥复合制成噪声探头,利用CST-500电化学噪声及电偶腐蚀监测仪上进行测试[11]

图1    

Fig.1    模拟缝隙的实验装置

实验材料为360 mm×80 mm的5083和6061铝板。工作面逐级打磨至2000#,用去离子水冲洗后吹干待用。电化学噪声测试选取浸泡时间为0,2,6和10 h时测试100 s,之后每隔12 h测试一组,每组测试时间为600 s。采点频率为0.25 s。测试溶液为采用分析纯级化学药品所配制的3.5%NaCl溶液。所有实验均在室温下完成。

利用TECNA1 G2F30透射电镜 (TEM) 和Quanta 200F型扫描电镜 (SEM) 对5083和6061铝合金进行形貌观察。

3 实验结果

3.1 5083和6061铝合金显微组织分析

5083和6061铝合金TEM像如图2和3所示。可以看出,5083铝合金中有夹杂物Al-Fe-Mn金属间化合物,经过标定为AlMn相,还有沿轧制方向分布的细小的AlMg相。6061基体中弥散分布着细小的MgSi相和长条状的Al-Fe-Si金属间化合物,经标定为FeSi相。还存在非晶态SiO相,与Kim等[12]和Rajan等[13]的观察结果相同,这些SiO颗粒是在加工过程中富硅区域或富硅相氧化形成[13]

图2    

Fig.2    5083的铝合金TEM像

图3    

Fig.3    6061铝合金的TEM像及EDS分析

3.2电化学噪声分析

利用散粒噪声理论对噪声数据进行分析,采用腐蚀事件发生的频率fn与腐蚀电量q两个参数研究缝隙腐蚀规律,如图4所示。当频率和电量均较低时,相同时间内所发生腐蚀事件数量较少且能量偏低,是非常轻微的腐蚀;当频率和电量均较高时腐蚀非常严重;当频率低且电量高时,说明腐蚀事件发生的数量较少,但是每个腐蚀事件都会产生较大的电量,此时局部腐蚀的趋势非常明显;当频率高且电量低时,说明此时腐蚀事件虽然发生的数量较多,但是每个腐蚀事件所产生的电量却很低,说明腐蚀形态趋近于均匀腐蚀[14]

从图中观察发现,5083铝合金距缝口较近的40和80 mm处,频率较高且电量较低,说明距缝口近处趋近均匀腐蚀,距缝口120和180 mm处的频率相对低且电量相对高,趋近局部腐蚀。而6061铝合金从缝口到缝隙深处频率越来越低且电量越来越高,说明6061铝合金缝隙内各个位置局部腐蚀趋势逐渐加强。

图4    

Fig.4    5083和6061铝合金散粒噪声分析

3.3 腐蚀形貌

为了验证电化学噪声分析的准确性,利用SEM观察5083和6061铝合金缝隙内不同位置的腐蚀形貌,如图5和6所示。5083铝合金距缝口20和40 mm处腐蚀轻微而均匀,几乎没有出现局部腐蚀的孔,距缝口较远处的120和180 mm处出现了明显的点蚀坑。而6061铝合金缝隙内各个位置均发现了点蚀坑,其中距缝口40和80 mm处的点蚀坑较小且数量较多;距缝口120和180 mm处,小的腐蚀坑连成一片,形成了很大的局部腐蚀区域。6061铝合金的腐蚀更加严重,腐蚀形态和5083铝合金也有很大差别,这和电化学噪声分析结果是一致的。

图5    

Fig.5    5083铝合金缝隙内不同位置的腐蚀形貌

图6    

Fig.6    6061铝合金缝隙内不同位置的腐蚀形貌

3.4 缝隙内化学环境变化

电化学噪声分析表明,5083和6061铝合金的缝隙腐蚀行为存在很大差异。因此本文利用微电极原位测量技术研究了缝隙内不同位置的化学环境变化,以探究腐蚀行为出现如此差异的原因。

3.4.1 Cl-浓度分布 5083和6061铝合金缝隙内不同位置的Cl-浓度分布如图7所示。其结果和张敏等[15]的研究结果相同:距离缝口越远的位置,Cl-浓度增大且上升的趋势明显。5083铝合金缝隙深处的Cl-浓度超过本体溶液3倍左右,而6061铝合金缝隙深处的Cl-浓度大约是本体溶液2倍,这说明Cl-容易在5083铝合金缝隙内富集。

图7    

Fig.7    缝隙内不同位置的Cl-浓度分布

3.4.2 pH值分布 图8为5083和6061铝合金缝内不同位置的pH值变化曲线。距缝口的距离越远,pH值越低。6061铝合金缝隙深处的pH值仅达到5.8,而5083铝合金达到4.8,缝隙内各个位置的pH值下降程度大于6061铝合金,这说明5083铝合金缝内微区溶液更易酸化。

图8    

Fig.8    缝隙内不同位置的pH值分布

3.4.3 缝隙内、外不同位置的电位分布 图9为距缝口不同位置处5083和6061铝合金的腐蚀电位随浸泡时间的变化曲线。电位均随时间的增大而负移。5083铝合金不同位置的电位梯度较小,6061铝合金在浸泡60 h之后出现了明显的电位梯度,浸泡时间越长,电位梯度越大。

图9    

Fig.9    缝隙内不同位置的电位分布

众所周知,缝隙腐蚀经典的机理有IR降机理[16] 和成分变化理论[17]。由电位、Cl-浓度和pH值分布可知,5083铝合金缝隙内化学成分变化明显,6061铝合金缝隙内部的化学成分变化不明显,但是IR变化明显,因此5083铝合金缝隙腐蚀以成分变化机制为主导,6061铝合金缝隙腐蚀以IR降机制为主导。

4 讨论

5083和6061铝合金中的第二相与基体接触,形成了不同的腐蚀微电偶。影响电偶腐蚀最重要的因素是电位差,电位差越大则腐蚀倾向越大[18]。文献[19,20]中给出了铝合金中各种不同的夹杂物和第二相的电位。基体电位约-800 mV,5083铝合金中AlMn金属间化合物电位大约-700 mV,略高于基体;AlMg电位约-900 mV,略低于基体;而6061铝合金含有电位-200 mV远远高于基体的Al-Fe-Si相和电位大约-1200 mV的远远低于基体的MgSi。

5083和6061铝合金的腐蚀过程如图10和11所示。低电位的MgSi相充当阳极优先腐蚀;Al-Fe-Si相充当阴极相,促使周围基体发生腐蚀,对6061铝合金的腐蚀起到加速作用;最后Al-Fe-Si相发生腐蚀。5083铝合金中,低电位的AlMg相作为阴极优先腐蚀;Al-Fe-Mn周围基体发生腐蚀;最后Al-Fe-Mn自身发生腐蚀。

图10    

Fig.10    6061铝合金缝隙腐蚀示意图

图11    

Fig.11    5083铝合金缝隙腐蚀示意图

6061铝合金中两相存在较大的电位差使得微电偶作用大,不需要缝隙内的化学成分富集就很容易发生点蚀以及点蚀生长,点蚀孔内电位降低,虽然点蚀孔中也会发生溶液富集和酸化,但是探针在缝隙内采集到的是缝隙内的化学成分而不是点蚀孔中的成分,故缝隙内溶液的成分变化不明显。而5083铝合金两相之间较小的电位差导致微电偶作用小,点蚀不容易发生,发生腐蚀就需要缝隙内的“自催化”作用使缝隙内化学成分达到发生腐蚀的临界成分。所以5083铝合金缝隙内部酸化倾向大、氯离子浓度升高快。因此,这就是造成5083和6061铝合金的缝隙腐蚀遵循不同的腐蚀机制和腐蚀行为不同的原因。

5 结论

(1) 5083铝合金中含有Al-Fe-Mn金属间化合物和AlMg相,6061铝合金中主要含有MgSi相和Al-Fe-Si金属间化合物。

(2) 5083铝合金距缝口远处的腐蚀形态趋近局部腐蚀,距缝口近处趋近均匀腐蚀,6061铝合金从缝口到缝隙内部局部腐蚀的趋势逐渐加强。

(3) 5083铝合金的缝隙腐蚀以缝隙内的成分变化占主导;6061铝合金的缝隙腐蚀以IR降为主导。5083铝合金中两相电位差小,微电偶作用小,发生腐蚀需要氯离子聚集和酸化的环境;6061铝合金中两相巨大的电位差导致微电偶作用大,发生点蚀,电位降低。不同类型的第二相的微电偶作用是5083和6061铝合金的缝隙腐蚀行为和腐蚀机制有着较大差别的原因。


/